Просмотры:0 Автор:Wondee Autoparts Время публикации: 2021-10-18 Происхождение:Wondee Autoparts
Посадочная передача - это незаменимая часть полуприцепа. Обычно он устанавливается в передней части полуприцепа, который состоит из левой и правой ноги. Его функция состоит в том, чтобы поддержать передний конец полуприцепа после того, как полуприцеп отделяется от трактора. Как показано на рисунке 1 ниже.

(Рисунок 1.Установка позиции посадочной передачи)
Общие полуприцепы посадочные шестерни имеют две скоростные шестерни: высокие и низкие шестерни. Как высокая передача, так и низкая передача могут быть использованы без нагрузки, и только низкая передача может быть использована при нагрузке. Подъемный ход полуприцепной посадочной передачи обычно составляет 17 дюймов (430 мм) и 19 дюймов (480 мм), а высота монтажа составляет от 870 до 1000 мм. Номинальная нагрузка обычно составляет 24 тонны, 28 тонн и 32 тонны, а статическая нагрузка обычно составляет 50 тонн, 60 тонн и 80 тонн.
Часто используются следующие типы серийных передач полуприцепов:
1Грузные посадочные шестерни
(1)Его можно разделить на следующие две категории в соответствии с различными модами передачи:
1) одностороннее действиешасси(Двусторонняя эксплуатация посадки)
Как показано на рисунке 2 ниже. Это посадочное снаряжение делится на внутренние ножки коробки передач и внешние ножки коробки передач. Обе ноги этой посадочной передачи оснащены 2 рукоятками ручек и 2 редукторовными коробками, левые и правые ноги могут быть подняты и независимо опущены за крином. Эта посадочная передача очень адаптируется и может использоваться как на плоских, так и на неровных дорогах.

(Рисунок 2. Одноэтажная посадочная передача / двухсторонняя эксплуатационная передача)
2)Связывание посадочное снаряжение(Односторонняя операция)
Как показано на рисунке 3 ниже. Эта посадочная передача имеет коробку передач и рукоятку только на одной из двух ног. Нога с коробкой передач и рукоятка называется ножкой для вождения, другая называется ведомой ногами. Две ноги связаны средней коробкой передач. Вращавшаяся по часовой стрелке или против часовой стрелки или против часовой стрелки будет поднимать или опустить 2 ножки на одинаковую скорость. По сравнению с единым действиям посадочной передачи, эффективность подъема этого посадочного снаряжения удваивается. Это посадочное снаряжение подходит только для плоских дорог, в противном случае она должна быть надежно выровнена с прокладками до того, как он может быть использован нормально.

(Рисунок 3. Связывание посадочное снаряжение / односторонняя эксплуатационная передача)
Его можно разделить на следующие две категории в соответствии с положением коробки передач:
1)Посадочная коробка передач наружной коробки передач (посадочная передача с внешней коробкой передач)
Как показано на рисунке 4 ниже. Коробка передач редуктора снаружи находится за пределами ноги, которая удобна для разборки, ремонта и обслуживания. В основном есть стили Фува, стили Джост, стили Holldand и другие стили.

(Рисунок 4. Посадочная коробка передач снаряжения / посадочная передача с внешней коробкой передач)
2) Посадочная передача внутри редуктора (посадочная передача с внутренней коробкой)
Как показано на рисунке 5 ниже. Набор шестерни устанавливается в квадратной трубке ноги. Он был изобретен дожом.

(Рисунок 5. Внутренняя коробка передач / посадочная передача / рассадка с внутренней коробкой передач)
Его можно разделить на следующие две категории в соответствии с формой и длиной монтажной пластины:
1)Длинная монтажная пластинапосадочные шестерни, как показано вФигура6 ниже.

(Рисунок 6.Длинные монтажные приземляющиеся шестерни)
2) Короткосовесное посадочное снаряжение, как показано на рисунке 7 ниже.

(Рисунок 7.Шорт-монтажная тарелка для приземления)
Основными компонентами сенсорной передачи полуприцепов являются подъемная ножка или зубчатая ножка, ведомая нога или боковая ножка, приземляющиеся ноги, стержень передачи и рукоятка.
Основные детали обслуживания следующие:
1) посадочная передача ноги
Есть 4 общих посадочных ножках передач, как показано на рисунке 8 ниже.

(Рисунок 8.Обычные посадочные ножки передач)
Эта нога является стандартной конфигурацией посадочной передачи и является наиболее широко используемым.
б) а-нога
Посадочные шестерни для ног обычно устанавливаются на полуприцепе воздушной подвески, чтобы избежать изгиба ног из-за ненормальной обработки воздушной подвески и разницы изменений высоты спереди и задней части прицепа во время загрузки и разгрузки. Как показано на рисунке 9-1 и рисунок 9-2 ниже.

(Рисунок 9-1. Полуприцеп смещение тела, а также изгибание T-ноги)

(Рисунок 9-2. А-ножное снаряжение для полуприцепов без изгиба)
в) S-foot
Как показано на рисунке 10 ниже. В дополнение к тому же преимуществу, что и посадочное снаряжение, посадочное снаряжение S-ноги, также обычно работают нормально на более мягкой дороге, поскольку S-нога имеет квадратную нижнюю пластину с большой опорной зоной.

(Рисунок 10. S-ногой посадочной передач для полуприцепа)
D)R-ногой
Приземление R-ноги, как правило, устанавливаются на полуприцепах, которые часто должны транспортироваться на корабле и упали на колоду, чтобы эффективно избежать изгиба и поломки посадочной передачи, вызванного смещением полуприцепа из-за встряхивания корабль.
Как показано на рисунке 11 ниже. Как ношенная часть, глава на посадочной передаче легко потерять. Это часто куплено клиентами.
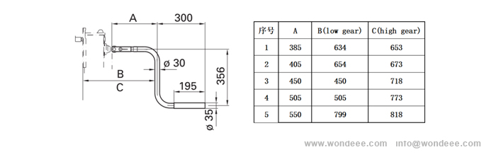
Согласно структуре различных моделей в разных регионах, общие размеры кривошин следующие, как показано в таблице ниже.

(Рисунок 11.Генеральная шестерня и параметр посадки)
Как показано на рисунке 12 ниже. Уточнение передачи имеет два типа: квадратный секция трубки и круглую сечение трубки. Его длина может быть настроена в соответствии с требованиями заказчика.

(Рисунок 12. Посадочная передача коробка передач)
4) посадочная передачаМонтажная пластина
Как показано на рисунке 13 ниже. Эта монтажная пластина используется для установки соединительных стержней для обеспечения вершины и общей жесткости посадочной передачи в горизонтальных и вертикальных направлениях.

(Рисунок 13.Установка диаграмма посадочной передачи)
Как показано на рисунке 14 и рисунок 15 ниже. Есть два основных стиля монтажных пластин:
\"L \" Тип монтажная пластина для длинной задней пластины посадочные шестерни.
\"W \" Тип монтажная пластина для короткой задней пластины посадочные шестерни.

(Рисунок 14, 15. \"L \" Тип и \"W \" ТипМонтажная пластина посадочной передачи)
2. Гидравлическое посадочное снаряжение
Этот тип посадочной передачи - это инновационное применение электромеханической гидравлической интеграции в прицепной промышленности, которая является модернизированным продуктом традиционной посадки.
Эта посадочная передача имеет интегрированную микро гидравлическую систему, которая управляет масляным насосом приводным двигателем. Когда давление масла достигает номинала, электромагнитный клапан включается или выключается для управления направлениями потока масла, так что два масляных цилиндрах могут быть расширены или сокращены индивидуально или в то же время, то есть поднимаются ноги и понижен.
Посадочная передача имеет высокую степень автоматизации. В рамках эффективных ударов двух цилиндров он может автоматически компенсировать и балансировать высоту, которая подходит для различных общих дорожных условий.
Подъем или падение контролируется кнопкой включения / выключения без ручного поворота рукоятки. Круглая, стержень передачи и коробка передач в то же время опущены. Эффективность подъема высокая, а большая грузоподъемность может быть реализована.
Он специально подходит для транспортировки капли и тяги, например, в большом порту, в стремлении к высокой эффективности, высокой частоте и без ручных поворотных криков. Недостатком является то, что вес тяжелее, стоимость очень высока, а стоимость обслуживания выше. Текущая доля рынка низкая. Как показано на рисунке 16 ниже.

(Рисунок 16. Гидравлическое посадочное снаряжение)
Этот тип посадочной передачи использует сжатый воздух от прицепных резервуаров в качестве источника питания, предохранительного клапана давления для регулировки давления воздуха к номинальному давлению, электромагнитный клапан для управления направлением потока воздуха и двух внутренних цилиндров для расширения и доверять индивидуально или в то же время поднять и сбросить посадочную передачу.
Подобно гидравлическому посадочной передаче, он пропускает кривошип, стержень передачи и коробку передач. Он имеет высокую степень автоматизации. В рамках эффективных ударов двух цилиндров он также может реализовать компенсацию и баланс автоматической высоты, что подходит для различных общих дорожных условий.
Подъем или падение контролируется кнопкой включения / выключения без ручного поворота рукоятки. Эффективность подъема высокая, а большая грузоподъемность может быть реализована.
Он специально подходит для транспортировки капли и тяги, например, в большом порту, в стремлении к высокой эффективности, высокой частоте и без ручных поворотных криков. По сравнению с гидравлическим посадочным механизмом, вес легче, стоимость не такая высокая, и нет загрязнения окружающей среды от нефти.

(Рисунок 17. Пневматическое посадочное снаряжение)
От: Wondee Autoparts
Контрольный список технического обслуживания полуприцепов для более длительного срока службы
Как выбрать правильную систему подвески для вашего трейлера?
Каковы наиболее распространенные полу-прицельные детали и их функции?
Размеры грузовиков танкера: полное руководство (2025) - Размеры, типы и экспертные советы
Грузовик с мусором против самосвалов: ключевые различия объяснены
Понимание полуприцепов для эффективного транспортировки оборудования
Различия между трейлерами Lowboy и RGN: выбор правильного трейлера для вашего перевозки
Понимание полных трейлеров против Полуприцепы для перевозки автомобилей